Ключи на фотоэлементах
Запирающие устройства, оснащенные такими ключами, срабатывают при освещении фотоэлемента ключа потоком света Поскольку современные фотоэлементы имеют весьма малые размеры, то для их установки достаточно использовать отверстия небольшого диаметра, что позволяет хорошо замаскировать ключ и тайник В качестве фотоэлементов используют фоторезисторы, фотодиоды, фототранзистйры, работающие в видимом или ИК диапазонах Активизация запирающего устройства может происходить при освещении его постоянным световым потоком или, для повышения помехозащищенности, модулированным световым сигналом (используется также кодирование активизирующей посылки) В качестве исполнительных комму гирующих элементов в этих устройствах могут использоваться электромагнитные реле, тиристоры или симисторы
Простой ключ на фоторезисторе
В предлагаемой конструкции функцию коммутирующего элемента выполняет симистор, а само устройство представляет собой ни что иное, как фотореле
Благодаря тому, что его работа не зависит от полярности приложенного на^ пряжения, отпадает необходимость в мощном двуполупериодном выпрямителе Это позволяет упростить конструкцию автомата и уменьшить его габариты Предлагаемое устройство рассчитано на управление источниками мощностью до 400 Вт Фотоэлемент устанавливают таким образом, чтобы исключить их засветку от осветительных-ламп, установленных в помещении, где находится тайник
Фотореле (рис 2 61) состоит из датчика освещенности (Rl), порогового устройства, выполненного по схеме триггера Шмитта (VT1, VT2), и коммутирующего элемента (VS1)

Рис 2 61 Ключ на фотореле
Фоторезистор R1 вместе с резисторами R2 и R3 образуют делитель напряжения, который определяет ток базы транзистора VT1. Когда фоторезистор R1 не освещен, его сопротивление велико, поэтому транзистрр VT1 открыт и находится в насыщении, aVT2 закрыт. Коллекторный, ток Транзистора VT2, а следовательно, и ток, управляющий электродами симистора, практически равны нулю. Симистор, таким образом, закрыт и ток через нагрузку не протекает.
С увеличением освещенности сопротивление фоторезистора уменьшается и ток базы транзистора VT1 также начинает уменьшаться. При достижении тока базы определенного значения транзистор VT1 выходит из насыщения и начинает закрываться. Увеличивающееся падение напряжения на рези4торе R7 ускоряет закрывание транзистора VT1 и открывание VT2.
Ток управляющего электрода симистора VS1, протекающий через открытый транзистор VT2 и реристоры R6, R7, поддерживает симистор в открытом состоянии на протяжении обоих полу периодов сетевого напряжения. Процесс выключения фотореле происходит в обратном порядке.
Порог срабатывания фотореле устанавливают переменным резистором R2, а резистор R3 служит для ограничения тока делителя. Резистор R6 определяет ток управляющего электрода симистора, который при открытом транзисторе VT2 должен быть больше тока включения симистора,' но меньше допустимого коллекторного тока транзистора VT2. Резистор R5 уравнивает напряжение на управляющем электроде и катоде симистора, когда транзистор VT2 закрыт. Это обеспечивает надежное выключение симистора и высокую помехоустойчивость фотореле в целом.
В устройстве использованы постоянные резисторы тина МЛТ, подстроеч-ный резистор СП2-3. Конденсатор С1 — любой малогабаритный, С2 — типа МБГО-2. Транзисторы VT1 и VT2 — КТ315Г или КТ315Е с коэффициентом передачи тока не менее 60. Все элементы устройства смонтированы па печатной плате из одностороннего фольгированного стеклотекстолита толщиной 1,5 мм. Резистор R5 распаян непосредственно на выводах симистора, а резистор R6 — между выводом управляющего электрода и платой. • ' 1
Катоды стабилитрона VD1 и симистора соединены между собой и с платой навесным проводником. Резьбовые выводы анода этих деталей необходимо укоротить. Фоторезистор своими выводами вставляют во впаянные в'нЬ'ату трубчатые стойки высотой 25 мм так, что под ним освобождается место для монтажа других деталей. В качестве стоек использованы гнезда соответствующего диаметра от штыревого разъема, ч
Необходимо помнить, что все элементы устройства находятся под'напряжением сети.
Поэтому при ремонте и регулировке следует строго соблюдать правила техники безопасности.
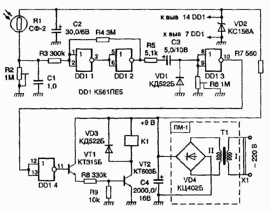
Фотореле на микросхеме , . , .

Рис. 2.62. Фотореле на микросхеме
Электронную часть такого устройства (рис. 2.62) образуют' юветочувстви-тельный элемент, функции которого выполняет фоторезиствр R1,' Триггер Шмитта, собранный па элементах DD1.1 и DD1.2, формирователь импульса пормированной длительности, выполненный на элементах DD1.3, DD1.4, и электронный ключ на транзисторах VT1, VT2. Роль исполнительного элемента выполняет) электромагнит, включаемый транзисторным ключом.
Источником питания автомата служит серийно выпускаемое выпрямительное устройство ПМ-1, предназначаемое для питания двигателей электрифицированных самоходных моделей и игрушек, или любой другой сетевой блок пи--тания с выходным напряжением 9 В и током нагрузки до 300 мД. Для повышения стабильности работы автомата его фотоэлемент и микросхема питаются от параметрического стабилизатора напряжения R7VD2C2.
Каков принцип работы устройства? При отсутствии освещения фоторезистора R1 узким пучком света сопротивление фотодатчика R1 велико, на входе и выходе триггера Шмитта, а также на входе элемента DD1.3 и выходе элемента DD1.4
действует напряжение низкого уровня. Транзисторы VT1 и VT2 закрыты. В таком, дежурном, режиме устройство потребляет небольшой ток — всего несколько миллиампер. При освещении устройства сопротивление фоторезистора начинает уменьшаться, а падение напряжения на резисторе R2 — увеличиваться. Когда это напряжение достигнет порога срабатывания триггера, на выходе его элемента DD1.2 появляется сигнал высокого уровня, который через релистор R5 и конденсатор СЗ поступает на вход элемента DD1.3. В результате элементы DD1.3 и DD1.4 формирователя импульса нормиро^ ванной длительности переключаются в противоположное логическое состояние. Теперь сигнал высокого уровня на выходе элемента DD1.4 открывает транзисторы VT1 и VT2, а электромагнит YA1, срабатывая, приводит в действие запорное устройство.
При выключении источника света сопротивление фоторезистора увеличивается, а напряжение на резисторе R2 и, следовательно, на входе триггера уменьшается При пороговом напряжении триггер переключается в исходное состояние и конденсатор СЗ быстро разряжается через диод VD 1, резистор R5 и элемент DD1 2.
Длительность работы электромагнита определяется временем даряда конденсатора СЗ через резистор R6. Изменением сопротивления этого резистора регулируют время работы электромагнита. Чтобы устройство не срабатывало при пропадании и последующем появлении сетевого напряжения, различных световых помех, параллельно резистору R2 подключен конденсатор С1.
Большая часть деталей электронной «начинки» автомата смонтирована на печатной плате из фольгироваппого стеклотекстолита размерами 60S40 мм Микросхема DD1 может быть К561ЛА7, транзистор VT1 - КТ315А-КТ315И, КТ312А-КТ315В, КТ3102А-КТ3102Е, VT2 - КТ603А, КТ603Б, КТ608А, КТ606Б, КТ815А-КТ815Г, КТ817А-КТ817Г. Стабилитрон КС156А можно заменить на КС168А, КС162В, КС168В, диоды КД522Б - на КД521А, КД102А, КД102Б, КД103А, КД103Б, Д219А, Д220 Конденсатор С1 - типа KM, C2 и СЗ - К50-6, К50-16, С4 - К50-16 или К50-6 Подстроечные резисторы R2 и R6 — чина СПЗ-3, другие резисторы — ВС, МЛТ Фоторезистор R1 — типа СФ2-2, СФ2-5, СФ-6, СФ-12, СФ2-16, можно также использовать фототранзистор ФТ-1
Налаживают автомат в таком порядке Движок резистора R2 устанавливают в верхнее (но схеме) положение и размещают устройство на выбранном месте При освещении, медленно увеличивая сопротивление этого резистора, добиваются срабатывания электромагнита Периодически затеняя фоторезистор, под-строечным резистором R6 регулируют длительность его работы
Ключ с дистанционным управлением
Если в вышерассмотрепных случаях для включения исполнительного устройства тайника был необходим достаточно мощный направленный световой пучок, а именно, источник света нужно было подносить к строго определенному месту и под определенным углом к поверхности фотоэлемента, то рассматриваемые ниже ключи позволяют открывать замок тайника дистанционно, т.е. с некоторого расстояния. Такой ключ может быть выполнен в виде брелка для ключей, подобно широко распространенным в настоящее время ключам от авто-сшнализаций, или использовать обычный пульт дистанционного управления от телевизора Это дает возможность замаскировать не только тайник, но и ключ, открывающий его.
Для дистанционного управления (ДУ) запорным устройством типика используется простая система ДУ на инфракрасных (ИК) лучах Принципиальная схема ключа приведена на рис. 2 63, а приемного блока — на рис 2 64
Генератор ключа построен на микросхеме DD1 (см рис. 2 63) но гиновой схеме и вырабатывает прямоугольные импульсы с частотой 8 кГц (час гота может быть от 2-х до 16 кГц) Частота определяет код ключа.

Рис. 2.63. Ключ-передатчик
Эти импульсы
поступают на ключевое устройство на транзисторах VT1 и VT2, которое управляет излучением светодиода VD1. Питание ключа осуществляется от батарей типа «Корунд», «Крона», 7Д-0.15.
Схема приемного устройства приведена на рис. 2.64. Сигнал от фотодиода VD1 усиливается элементами DD1.1 —DD1.3, включенными по схеме усилителей. Диоды VD3, VD4 ограничивают усиленный сигнал. Фильтр L1C3 настроен на частоту генератора ключа и исключает срабатывание от помех или другого аналогичного устройства, с другой частотой настройки. Это основано на свойстве параллельного колебательного контура (L1C3) — иметь максимальное сопротивление на частоте резонанса. Поэтому принятый и усиленный сигнал ключа-передатчика проходит на вход усилителя на элементе DD1.3. Сигналы других частот шунтируются контуром L1C3 (сопротивление контура для них стремится к нулю). Усиленный полезный сигнал детектируется элементами VD5, С10, R13 При наличии полезного сигнала напряжение на конденсаторе С 10 повышается, что вызывает срабатывание триггера Шмитта на элементах DD1.4, DD1.5, которые преобразуют входной сигнал в напряжение уровня лог. «I». Это напряжение через цепь задержки R4VD2C7, усложняющую подбор частоты ключа, поступает на триггер DD2, который с помощью транзисторных ключей VT1 и VT2 управляет электромагнитными реле К1 и К2.
Ключ смонтирован на печатной плате и вместе с источником питания помещен в пластмассовый корпус. Перед светодиодом просверлено отверстие в корпусе, в которое он вставлен изнутри. Приемное устройство также собрано на печатной плате. На ней смонтированы все детали, кроме реле и стабилизатора напряжения на микросхеме DD3 с конденсатором С9.
Катушка L1 намотана на каркасе от фильтра ПЧ приемника «Сокол 404» проводом ПЭВ 0,12 мм и содержит 100 витков. Вместо стабилизатора DD3 можно использовать простой транзисторный стабилизатор на напряжение 12 В и ток 100 мА. Реле К1 и К2 — типа РЭС9, паспорт РС4.524.202, контактные группы включены параллельно.
Настройка заключается в совмещении частот ключа и приемника, это можно сделать двумя способами: путем подбора частоты ключа (резистором R1 на рис 2 63) либо настройкой приемника (подстройкой индуктивности катушки L1 на рис. 2.64).
Настроенную плату помещают в металлический корпус с окном для фотодиода и заливают эпоксидной смолой, предварительно отгородив фотодиод картонной перегородкой. Окно необходимо закрыть оргстеклом. Для питания

Рис. 2.64. Приемник-дешифратор
устройства можно использовать блок питания от обычных электронных игрушек с перемотанной вторичной обмоткой трансформатора (число витков увеличить до 100).
Металлический корпус приемника нужно соединить с общим проводом и заземлить.
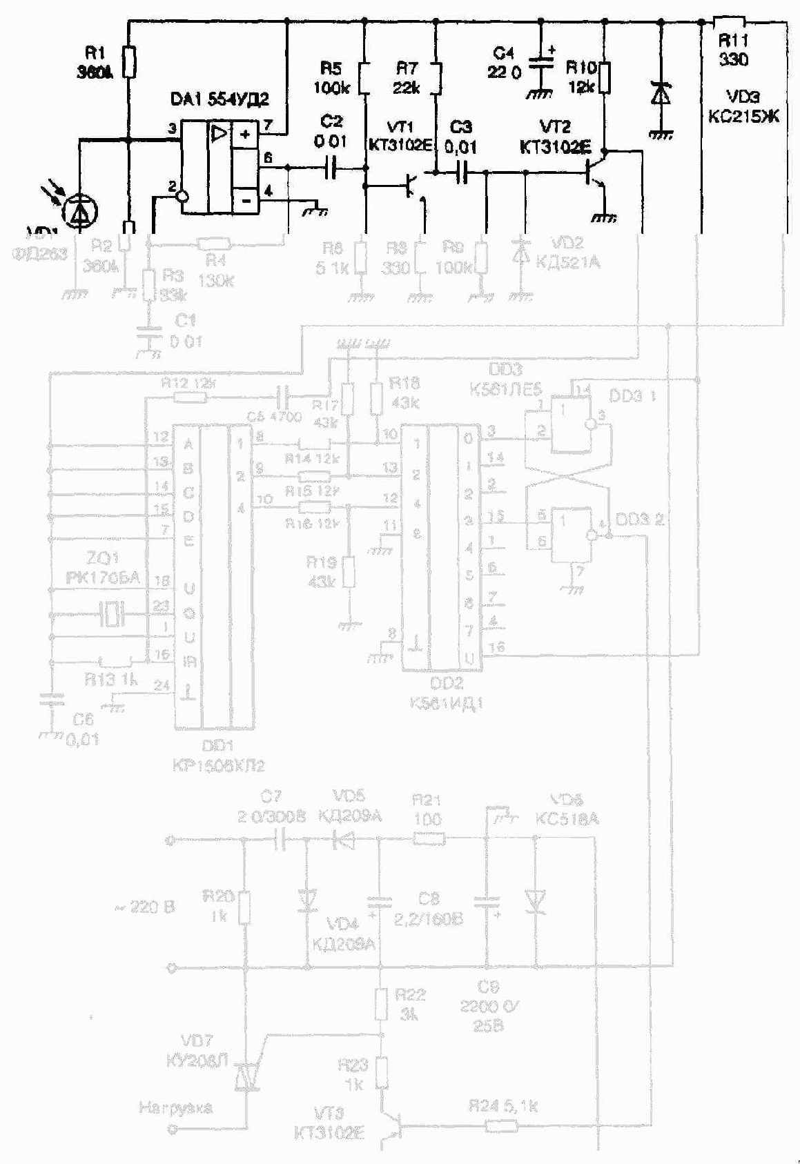
Дистанционный ключ на специализированной микросхеме
Устройство состоит из пульта ДУ от телевизора на базе микросхемы КР1506ХЛ1 и выключателя на базе микросхемы КР1560ХЛ2, который управляет электромагнитом или электродвигателем. Управляется выключатель кнопками переключения программ, расположенными на пульте ДУ. Например, при нажатии кнопки первой программы выключатель включается, а при нажатии четвертой — выключается.
Принципиальная схема выключателя показана на рис. 2.65. Устройство представляет собой упрощенный вариант типовой схемы дистанционного управления телевизором. Роль дешифратора команд выполняет та же микросхема КР1506ХЛ2. Все цепи, которые использовались для включения питания телевизора, управления его регуляторами и системой АПЧ исключены. Оставлены только параллельные цифровые выходы «I», «2», «4» на которых при нажатии на пульте ДУ кнопок переключения программ устанавливается двоичный код их номера. Этот код поступает на входы десятичного дешифратора DD2, каждый выход которого соответствует номеру нажатой кнопки.
Для управления выключателем нагрузки используется RS-триггер на микросхеме DD3. В данном случае при нажатии кнопки «I» пульта ДУ логическая единица устанавливается на выводе 3 DD2. В результате на выходе RS-тригге-ра устанавливается единица, которая сохраняется при нажатии любых других, кроме 4-й, кнопок пульта. При нажатии кнопки «4» па выходе RS-триггера установится логический нуль.
Импульсная посылка принимается диодом VD1 и усиливается усилителем, выполненным на микросхеме DA1 и транзисторах VT1, VT2, до уровня, необходимого для нормальной работы микросхемы DD1. В зависимости от принятой импульсной посылки на выходах 1, 2, 4 (выводы 8, 9,10 соответственно) появится двоичный код номера включенного канала, который преобразуется в уровень логической «I» дешифратора DD2. Появление логической «I» на выводе 3 микросхемы DD2 приводит к установке на выходе RS-триггера (вывод 4 DD3) высокого уровня и, соответственно, к включению исполнительного устройства. Аналогично появление логической «Is» на выводе 15 DD2 приводит к выключению исполнительного устройства и запиранию тайника.
Для включения нагрузки используется симистор. Это позволило упростить схему. Дело в том, что обычный тиристор требует установки мостового выпрямителя па выходе. В результате питание па микросхемы устройства пришлось бы подавать от низковольтного стабилизатора напряжения с гасящим резистором. При этом резистор, имеющий, в отличие от конденсатора, активное сопротивление, будет достаточно сильно нагреваться. В данном случае избыток

Рис 2 65 Ключ на специализированной микросхеме
напряжения гасится реактивным сопротивлением конденсатора G7, мощность на котором практически не рассеивается Схема источника питания построена таким образом, что на управляющий электрод симистора VD7 подается отрицательное относительно катода напряжение. Это позволяет управлять симисто-ром постоянным током
Напряжение питания микросхемы КР1506ХЛ2 должно быть +18 В, в то же время питать микросхемы серии К561 можно напряжением не более 15 В и подавать на их входы" уровни выше напряжения питания тоже нельзя.Для питания этих микросхем и усилителя фотоприемника служит параметрический стабилизатор на элементах R11 и VD3. А делители на резисторах R14—R19 согласуют выходные уровни микросхемы DD1 с входными для микросхемы DD2.
Схема фотоприемника отличается от типовой, она имеет меньшее входное сопротивление и поэтому менее подвержена воздействию помех.
<